Description
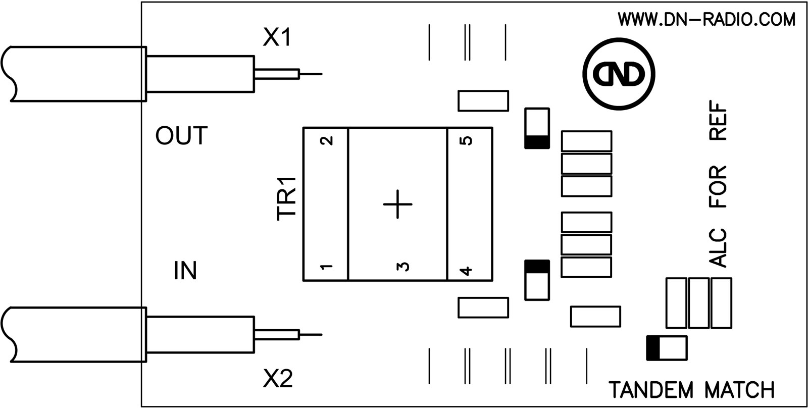
Board Tandem Match unit designed for high power amplifiers (up 100W to 3kW PEP) in HF band 1-50MHz. This can be very useful as the core of a power meter, or as a component in an amplifier system.
Applies a variant of the well-published”Tandem Match”or”directional coupler”, it can measure forward and reflected power at the same time, without having to throw a switch to do it.
It provides the ability to measure forward and reflected power levels; this is especially important in detecting high reflected power conditions, such as a damaged antenna, or when we forget to connect the coax to the output of an amplifier, etc.
The signal of FOR (see scheme – VD4) is used for measurement of power.
The signal of REF (see scheme – VD5) is used for measurement and for system of protection against high REF value.
The signal of  ALC (see scheme – VD6) – negative voltage port to control the output power of transceiver. To restrict the maximum input power of the amplifier.
The size of the core TR1 10x20x15mm (ferrite 43) allows you to measure the power of at least 3000W.
At the same time resistance of loading has to be 50 Ohms.
Board design allows you to bolt it directly to the chassis without additional stands. Which is very convenient.
FOR – measurement of power
REF – measurement of SWR
ALC –Â control power transceiver. Â As a rule, ALC is useful on low frequencies (below 20MHz). Therefore the VD6 diode is used not high-frequency. In order that ALC tension with growth of frequency decreased.
Size PCB 74x45mm
The graph shows the dependence of the output voltage on the transmitted power.
You can build a similar chart yourself online-link to the resource – https://www.kontrolnaya-rabota.ru/s/grafik/tochka/
Enter the table –
0;0
0.82;10
1.35;20
1.80;30
2.12;40
2.42;50
2.69;60
2.96;70
3.24;80
3.43;90
3.56;100



